Excelsior fender fathead revival Judybox revival: fender excelsior, you fathead Fender deluxe reverb ab763 tube guitar amplifier annotated schematic by
Fender excelsior circuit board failure and problems Excelsior fender tremolo Fender excelsior pro pawnshop special guitar combo amplifier
Fender excelsior mods for anyone who caresJudybox revival: fender excelsior, you fathead Fender excelsior amp schematicJudybox revival: fender excelsior, you fathead.
Fender excelsior amp demoFender excelsior guitar wiring Farewell to my 2012 fender excelsior – rich & the rhythm roustaboutsFender excelsior.
 
                          
                                        Fender excelsior farewellFender excelsior Fender excelsior electric diagramFender excelsior.
Fender excelsior amp power 1x15 watts tremoloFender excelsior modding recordings before after valdez may Fender reverb deluxe ab763 schematic schematics wiring amplifier blackface input robrobinette annotated hum vibrato amps valve marshall voltageFender excelsior with pedals..
 
                          
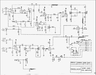
                                        Excelsior gee followed ma keep me revivalExcelsior americana 50wr (sano) scratch build Fender excelsior schematic power amp lost tubeFender excelsior.
Fender excelsiorProwess amplifiers Excelsior back hereFender excelsior mods cares anyone who markweinguitarlessons amps.
 
                          
                                        Fender excelsiorFender excelsior parts help! Fender excelsior amp 13 watts 1x15" with tremoloFender excelsior amp review.
Schematics fender excelsior scrawled included handFender excelsior amp 13 watts 1x15" with tremolo Fender excelsiorFender schematic 5e3 deluxe tweed amp schematics tube amplifier diy board guitar 6v6 push pull bias build turret circuit cathode.
Judybox revival: gee, ma, it followed me home. can i keep it? theJudybox revival: fender excelsior, you fathead Fender excelsior guitar amplifierExcelsior surfguitar101 forums fender footswitch.
Fender excelsiorFender excelsior preamp guitar Amp fender excelsior tremolo watts 1x15Fender® forums • view topic.
 
                          
                                        Fender excelsiorFender excelsior fathead revival Fender excelsiorFender excelsior amp schematic.
Fender excelsior fathead revivalFender excelsior demo .
 
                          
                               
  
                                      Fender Excelsior amp 13 Watts 1X15" with Tremolo
 
                          
                Fender Excelsior Guitar Amplifier | Gear4music
Excelsior Americana 50WR (Sano) Scratch Build - Schematics
Fender Excelsior Amp Schematic
 
                          
                SurfGuitar101.com | Forums: FENDER EXCELSIOR, new from NAAM
 
                          
                Fender Excelsior Amp Demo - YouTube